UC Series

The GAMMA “UC” series provides a compact, highly stabilized, variable high voltage power source of either negative or positive polarity, with ratings to 50KV and power levels up to 50 watts. The utilization of switch-mode MOSFET technology allows for excellent stability. High-voltage circuits are vacuum encapsulated in a silicone elastomer providing corona free, long-term reliability. Dual control loops allow independent control of both voltage and current where required. All control circuits are ground referenced allowing for ease of interfacing and control.
UC Series Versions
Model | Output Voltage | Output Current |
UC5-3 | 0 to 3KV | 1.6mA |
UC5-5 | 0 to 5KV | 1mA |
UC5-10 | 0 to 10KV | 500uA |
UC5-15 | 0 to 15KV | 333uA |
UC5-20 | 0 to 20KV | 250uA |
UC5-25 | 0 to 25KV | 200uA |
UC5-30 | 0 to 30KV | 166uA |
*Available in RoHS compliant version
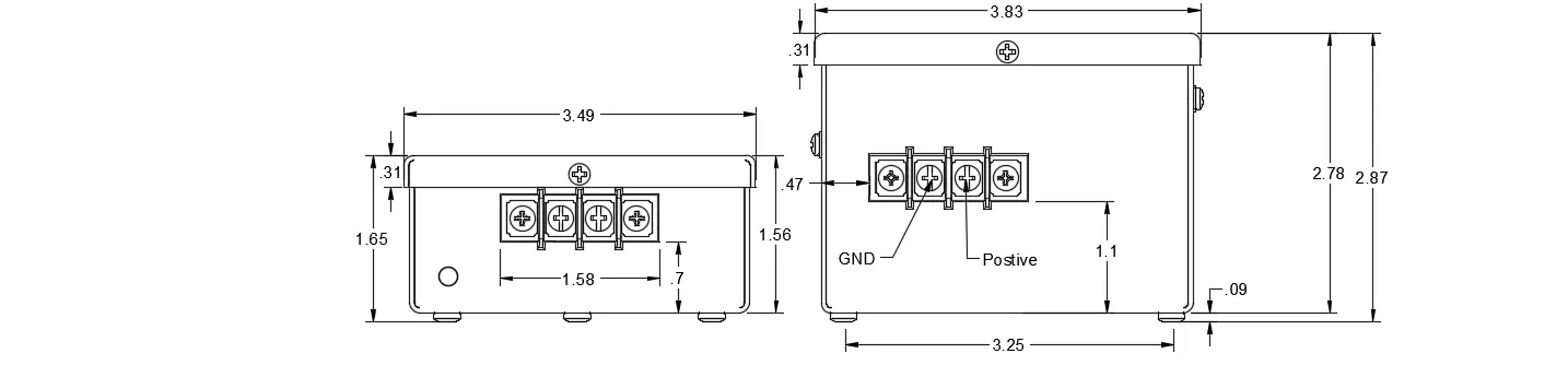
Dimensional Drawings

Dimensional Drawings
